<>
<>
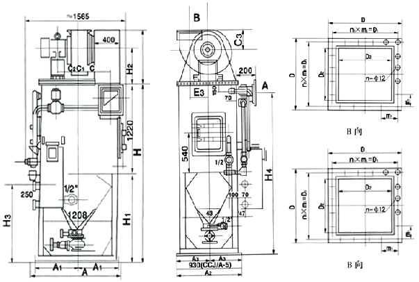
此類型除塵機組有幾種不同型式的排泥漿方法,本型號為錐形漏斗排泥漿的沖激式除塵機組,定型為CCJ/A(C—沖激式;C—除塵;J—機組;A—錐形漏斗排泥漿)。按處理風量的能力分八種規格。
1、適用范圍:本機組適用于干凈化非纖維性,無腐蝕性的溫度不高于300℃的含塵氣體。適用于冶金、煤炭、化工、鑄造、發電、建筑材料及耐火材料等企業。在用于具有粘性的生石灰運輸系統中的除塵亦能獲得很好的效果,這是該機組的又一突出優點。
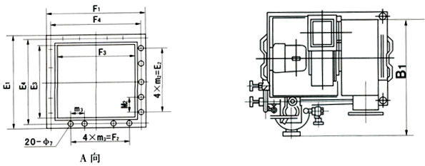
2、溢流箱的水封高度是按機組分霧室內負壓不大于400毫米水柱或正壓不大于150毫米水柱設計的,非此使用條件,需另行設計溢流箱。
|
型號規格
|
進口風速(m/s)
|
處理風量(m3/h)
|
阻力(kg/m2)
|
耗水量(t/h)
|
效率(%)
|
外型尺寸(長×寬×高)
|
重量(kg)
|
|
CCJ/A-5
|
18
|
5000
|
100-160
|
0.16
|
99
|
1568×1284×3124
|
809
|
|
CCJ/A-7
|
7000
|
0.23
|
1568×1634×3240
|
1058
|
|||
|
CCJ/A-10
|
10000
|
0.33
|
1568×2012×3579
|
1212
|
|||
|
CCJ/A-14
|
14000
|
0.46
|
1956×2600×4828
|
2430
|
|||
|
CCJ/A-20
|
20000
|
0.66
|
2573×2600×4828
|
3370
|
|||
|
CCJ/A-30
|
30000
|
0.98
|
3279×2600×4828
|
4132
|
|||
|
CCJ/A-40
|
40000
|
1.32
|
4200×2250×5196
|
5239
|
|||
|
CCJ/A-60
|
60000
|
1.97
|
5913×2250×5566
|
6984
|


技術參數


